Der Hebearm lässt sich leicht mit der Hand bewegen (leichte Konstruktion, Klassifizierung gemäß EN 13001 HC2 S2 HD2).
Große Reichweite und hohe Traglast.
Teilrotation um 180°.
Schwenken auf Ringen mit geringem Reibungskoeffizient oder auf Kugellagern (je nach Traglast) für eine weiche Bewegung des Schwenkarms.
Lackierung für den Innenbereich, kugelgestrahlt und lackiert mit RAL 1007 (Narzissengelb, Stärke 80 µm).
Sehen Sie Förderungsmaterialen vor, um das Produkt von LKWs abzuladen, falls keine Abladerampe vorhanden ist. Bei Bedarf erhältlich für den Einsatz im Außenbereich, mit höherer Traglast, Reichweite und anderen Hubhöhen. Optional erhältlich: Versorgungskabel mit Führungs-Stahlseil, elektrischer Flaschenzug (DC) mit Trägerwagen, 2 Geschwindigkeiten, Hubhöhe 4 m, Stromversorgung 400 V dreiphasig, Steuerung über Niederspannung mit 24 V. Produkt wird auf Bestellung produziert. Weder Rücknahme noch Umtausch möglich.
Max. Belastung (kg) : 2000
CE
Ökologische und/oder gesellschaftliche Vorteile
Diese Verpackung ist vollständig oder teilweise wiederverwertet, was bedeutet, dass sie aus Materialien hergestellt wurde, die aus Recyclinganlagen stammen. (weitere Informationen finden Sie in den technischen Daten).
Eigenschaften
Produktinformation
Produktname
Wandkran - Tragkraft 1600 und 2000 kg
Marke
Vetter Krantechnik
Verpackung
pro Stück
Technische Spezifikation
Modell
Wandkran MTL
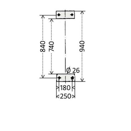
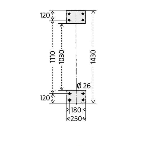
Gesamthöhe (mm)
1430 mm
IPE Breite
120 mm
Herkunft des Produkts
Hergestellt in Deutschland
Kundengarantie
3 Jahre
Typ Befestigung
8 Punkte
Rotationswinkel (°)
170 °
Recycelte Verpackung (%)
20 %
Dokumentation
Wählen Sie Ihr Produkt aus, um die verfügbaren Dokumente anzuzeigen
Unsere Bewertungen sind authentisch und zuverlässig. Um mehr über unsere Authentifizierungs- und Kontrollverfahren zu erfahren, klicken Sie bitte hier